menu zapri

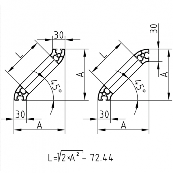
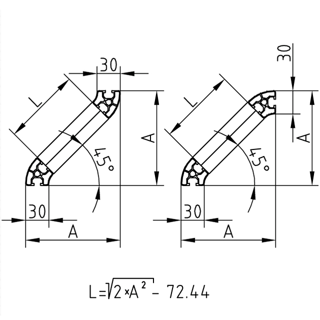
PROFIL 30 R 45°

201135/0
Alu profil 30 R 45° za trdne konstrukcije in enostavno sestavljanje. Alu profili za sestavljanje in konstrukcije za industrijo in strojegradnjo.
Cena: 9,93 €/m (12,11 €/m z DDV)
Na zalogi

Naredite seznam različnih variacij tega izdelka:

Prosimo preverite polja za pravilen vnos mere?
Seznam izbranih artiklov:
- Trenutno nimate dodanih izdelkov -

Za dodatno strojno obdelavo profilov (luknje, navoji, pogrezitve, rezanje pod kotom, rezkanje ipd.) nam pišite na prodaja@minitec.si.

Dodaj med priljubljene

K izdelku lahko dodate:

Tehnični podatki / vključeni artikli

  • Aluminij, iztiskan, eloksiran E6/EV1
  • Ix = 1,909 cm4
  • Iy = 1,812 cm4
  • wx = 0,924 cm3
  • wy = 0,951 cm3
  • IT = 3,720 cm4
  • Teža = 0,601 kg/m
  • Dolžina palice = 6 m
  • Pakirna enota = 72 m

Uporaba

  • Konstrukcije z optimizirano maso
  • Mize
  • Konstrukcije okvirjev
  • Kot prečnik:
    Določite mero L vmesnega nosilca glede na izračunsko formulo
  • Razstavna okna, vitrine

Navodila za uporabo / način montaže

  • Minitec Power-Lock spojni element 30 / N 30
  • Notranji kotni spoj 30
  • Vijačni spoj 30
  • Kotnik 16 / 30
  • Pritrditev dodatkov z drsno matico 30 M4 / M5 / M6 / M8

Zadnje ogledani artikli

Na zalogi v centralnem skladišču.
Dobava 2-4 tedne.
685,34 € (z DDV)
561,75 € (brez DDV)
Dodaj med priljubljene
Na zalogi v centralnem skladišču.
Dobava 2-4 tedne.
293,96 € (z DDV)
240,95 € (brez DDV)
Dodaj med priljubljene
Na zalogi v centralnem skladišču.
Dobava 2-4 tedne.
9,43 € (z DDV)
7,73 € (brez DDV)
Dodaj med priljubljene