NOVO: Raziščite Minitec spletno trgovino!

menu zapri

T KLJUČAVNICA 19

211015/2
Cena: 18,10 € (22,08 € z DDV)
Na zalogi
Dodaj med priljubljene

K izdelku lahko dodate:

Tehnični podatki / vključeni artikli

  • Cink, tlačno litje, kromirano
  • Z zatezno matico iz jekla, pocinkano
  • Brez zapirala
  • Teža = 0,150 kg/kos

Uporaba

  • Za profile 19
  • Zaklepanje vrat in pokrovov v zaščitnih ograjah

Navodila za uporabo / način montaže

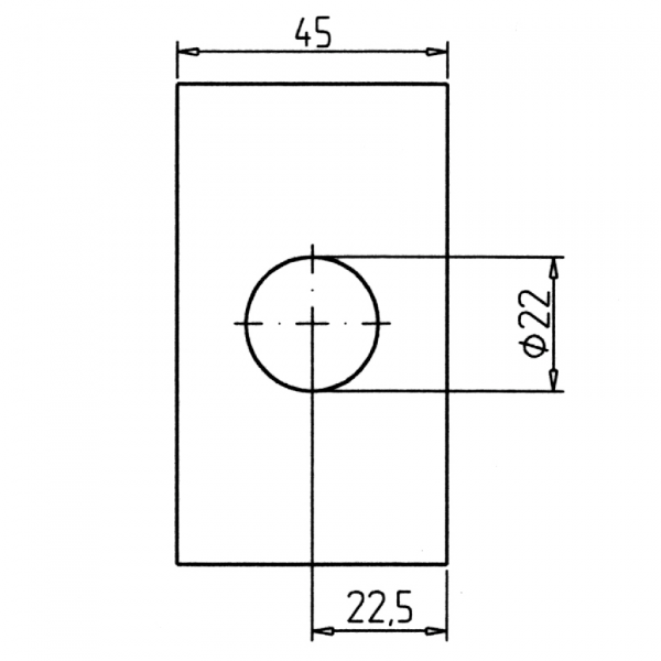
  • Izvrtajte luknjo Ø 22 mm na sredini profila, priporočeno: zaščita proti zvijanju F št. dela 210941/0
  • Za zagotovitev zaščite pred zvijanjem se lahko alternativno izreže luknja SW20,1 mm.
  • S ključem privijte pritrdilno matico od zadaj.

Zadnje ogledani artikli

Po naročilu
Cena: Po ponudbi
Dodaj med priljubljene