Pošiljke pošiljamo s Pošto Slovenije ter različnimi transportnimi podjetji v primeru kamionskih dostav. Za vse artikle je možen brezplačen osebni prevzem na sedežu podjetja Minitec d.o.o. (Teharska cesta 41, 3000 Celje, Slovenija).
Pošiljke do dolžine 1,6 m:
Teža
Cena brez DDV (v EUR)
do 2 kg
4,782
nad 2 kg do 5 kg
5,828
nad 5 kg do 10 kg
7,040
nad 10 kg do 15 kg
8,237
nad 15 kg do 20 kg
9,355
nad 20 kg do 25 kg
10,776
nad 25 kg do 31,5 kg
12,291
Pošiljke do dolžine 2,5 m in višine 1,8 m:
Teža
Cena brez DDV (v EUR)
do 31,5 kg
18,139
nad 31,5 kg do 70 kg
22,131
nad 70 kg do 100 kg
29,516
nad 100 kg do 200 kg
49,353
nad 200 kg do 300 kg
60,025
nad 300 kg do 600 kg
76,557
nad 600 kg do 1000 kg
87,943
Pošiljke do dolžine 4 m:
Teža
Cena brez DDV (v EUR)
do 50 kg
32,746
nad 50 kg do 250 kg
58,541
nad 250 kg do 600 kg
85,975
Za pošiljke nad 4 m dolžine se strošek dostave izračuna naknadno!
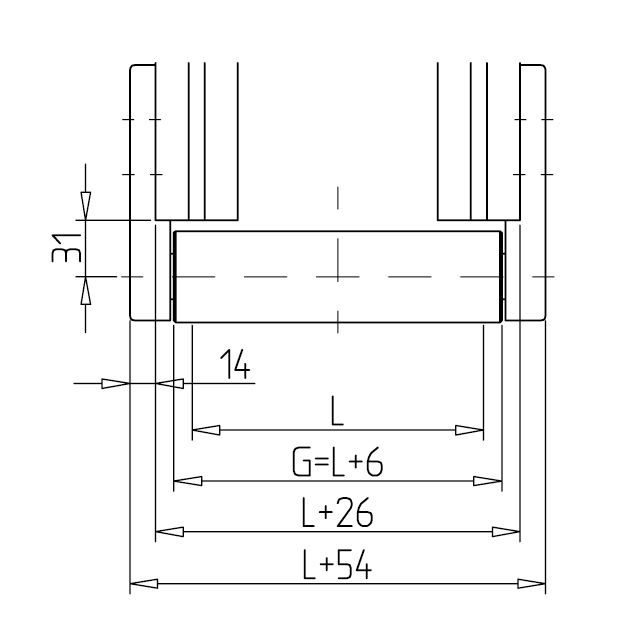
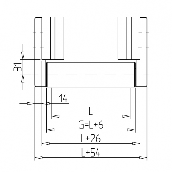
Pozor: L ni zunanja dimenzija (G) transportnega traku Ø50
Teža = (osnovna teža) 0,186 kg
Dodatna teža = 1,541 kg/100 mm širine traku
Uporaba
Minitec sistem transportnega traku
Primeren za ležaj transportnega traku, npr. ident št.210993/0
Na zahtevo lahko dostavimo transportni trak z vgrajenimi krogličnimi ležaji. Ležaji so nežni do materiala, vroče prešani. Prosimo, naročite dodatno ident št.21.0901/0
Navodila za uporabo / način montaže
Vstavite osi v vrtino ležaja transportnega traku
Boben je vodeno aksialno s samonastavljivim ležajem
Samonastavljivi ležaj kompenzira manjše odklone poravnave
Spletno mesto za boljšo uporabniško izkušnjo, analitiko, oglaševanje in dodatne funkcije uporablja piškotke. Z izborom opcije Strinjam se dovoljujete uporabo piškotkov za vse navedene namene. Za prilagoditev dovoljenj piškotkov kliknite na Nastavitve piškotkov. Več informacij o piškotkih najdete tukaj.