NOVO: Raziščite Minitec spletno trgovino!

menu zapri

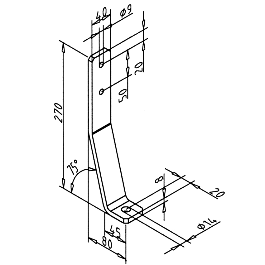
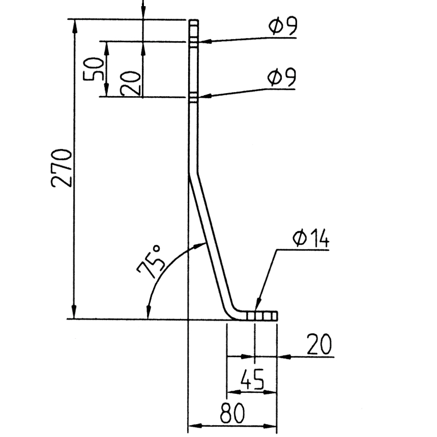
ELEMENT ZA PRITRDITEV V TLA - VISOK

210015/0
Kompaktna kotna plošča za talno ali stensko pritrditev težjih konstrukcij, zanesljiva tudi pri dinamičnih obremenitvah.
Cena: 18,50 € (22,57 € z DDV)
Na zalogi v centralnem skladišču.
Dobava 2-3 dni.
Dodaj med priljubljene

K izdelku lahko dodate:

Tehnični podatki / vključeni artikli

  • Jeklo, prašno lakirano, siva
  • S pritrdilnim materialom iz jekla, cinkano
  • Brez vložkov
  • Teža = 0,786 kg/kom

Uporaba

  • Za pritrjevanje težkih konstrukcij pri dinamičnih obremenitvah na tleh ali steni

Navodila za uporabo / način montaže

  • Na strani profila s cilindričnim vijakom M8 x 20, SW 5
  • Na spodnji strani z visokozmogljivim vložkom 12 ident št. 211115/0
  • Primerno tudi za naknadno montažo

Zadnje ogledani artikli

211044/0

TEČAJ 19 S

Na zalogi
11,35 € (z DDV)
9,30 € (brez DDV)
Dodaj med priljubljene
Na zalogi
1,40 € (z DDV)
1,15 € (brez DDV)
Dodaj med priljubljene
Na zalogi v centralnem skladišču.
Dobava 2-4 tedne.
7,80 € (z DDV)
6,40 € (brez DDV)
Dodaj med priljubljene
Na zalogi v centralnem skladišču.
Dobava 2-4 tedne.
1,89 € (z DDV)
1,55 € (brez DDV)
Dodaj med priljubljene
Na zalogi v centralnem skladišču.
Dobava 2-4 tedne.
29,95 € (z DDV)
24,55 € (brez DDV)
Dodaj med priljubljene
Na zalogi v centralnem skladišču.
Dobava 2-4 tedne.
156,77 €/m (z DDV)
128,50 €/m (brez DDV)
Dodaj med priljubljene
Na zalogi
7,93 € (z DDV)
6,50 € (brez DDV)
Dodaj med priljubljene
Po naročilu
Cena: Po ponudbi
Dodaj med priljubljene