! Obvestilo o prilagoditvi cen alu profilne tehnike

menu zapri

T KLJUČAVNICA 45

211015/1
Cena: 25,58 € (31,20 € z DDV)
Na zalogi v centralnem skladišču.
Dobava 2-4 tedne.
Dodaj med priljubljene

K izdelku lahko dodate:

Tehnični podatki / vključeni artikli

  • Cink, tlačno litje, kromirano
  • Z zatezno matico iz jekla, pocinkano
  • Brez zapirala
  • Teža = 0,210 kg/kos
     

Uporaba

  • Za profile 45
  • Zaklepanje vrat in pokrovov v zaščitnih ograjah

Navodila za uporabo / način montaže

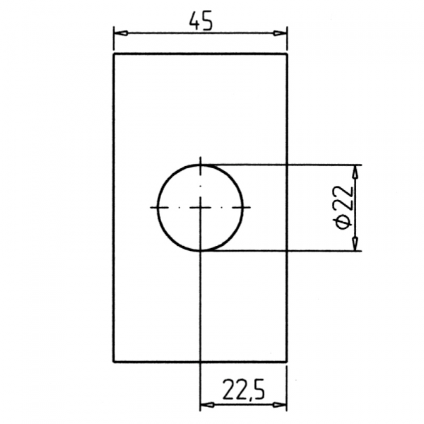
  • Izvrtajte luknjo Ø 22 mm na sredini profila, priporočeno: zaščita proti zvijanju F št. dela 210941/0
  • Za zagotovitev zaščite pred zvijanjem se lahko alternativno izreže luknja SW20,1 mm.
  • S ključem privijte pritrdilno matico od zadaj.