menu zapri

USTAVLJALEC VISEČIH VRAT

212019/0
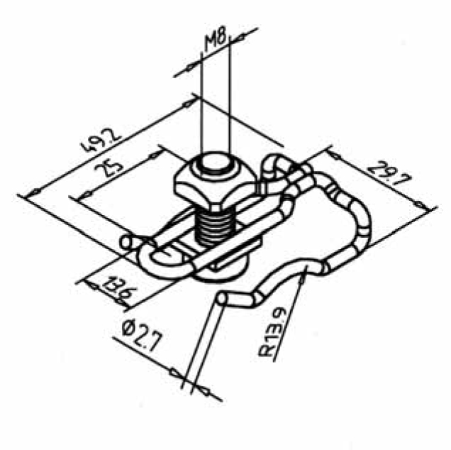
Zaklep za drsna vrata zagotavlja varno zaklepanje vrat v odprtih in zaprtih končnih položajih za zanesljivo uporabo.
Cena: 7,15 € (8,72 € z DDV)
Na zalogi
Dodaj med priljubljene

Tehnični podatki / vključeni artikli

  • Nerjaveče jeklo
  • Vzmetno jekleno žično
  • S pritrdilnim materialom iz pocinkanega jekla
  • Teža = 0,026 kg/kos

Uporaba

  • Zaklepna drsna vrata v končnih položajih (odprta / zaprta)

Navodila za uporabo / način montaže

  • Označite končni položaj valja
  • Izvrtajte luknjo Ø 8,5 mm v profil drsnih vrat
  • Privijte tirnico s profilom nosilca z uporabo priloženega montažnega kompleta

Zadnje ogledani artikli

Na zalogi v centralnem skladišču.
Dobava 2-4 tedne.
29,93 € (z DDV)
24,53 € (brez DDV)
Dodaj med priljubljene
Na zalogi v centralnem skladišču.
Dobava 2-4 tedne.
1,88 €/m (z DDV)
1,54 €/m (brez DDV)
Dodaj med priljubljene
Na zalogi v centralnem skladišču.
Dobava 2-4 tedne.
612,07 € (z DDV)
501,70 € (brez DDV)
Dodaj med priljubljene
Na zalogi v centralnem skladišču.
Dobava 2-4 tedne.
1.727,43 € (z DDV)
1.415,93 € (brez DDV)
Dodaj med priljubljene
Na zalogi
22,68 €/m (z DDV)
18,59 €/m (brez DDV)
Dodaj med priljubljene
Na zalogi v centralnem skladišču.
Dobava 2-4 tedne.
15,03 € (z DDV)
12,32 € (brez DDV)
Dodaj med priljubljene