menu zapri

PODPORNI PROFIL N ZA POLNILA

201121/0
Posebni aluminijasti profili za podporo panelov in plošč. Alu profili za sestavljanje in konstrukcije za industrijo in strojegradnjo.
Cena: 4,14 €/m (5,05 €/m z DDV)
Na zalogi

Naredite seznam različnih variacij tega izdelka:

Prosimo preverite polja za pravilen vnos mere?
Seznam izbranih artiklov:
- Trenutno nimate dodanih izdelkov -

Za dodatno strojno obdelavo profilov (luknje, navoji, pogrezitve, rezanje pod kotom, rezkanje ipd.) nam pišite na prodaja@minitec.si.

Dodaj med priljubljene

Tehnični podatki / vključeni artikli

  • Aluminij, ekstrudiran, anodiziran E6/EV1
  • Teža = 0,339 kg/m
  • Dolžina palice = 6 m

Uporaba

  • Vse vrste varnostne opreme
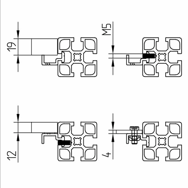
  • Za montažo površinskih elementov, kot so paneli in plošče do debeline 19 mm
  • Naknadna vstavljanja

Navodila za uporabo / način montaže

  • Drsite nosilni profil v utor in ga po potrebi fiksirajte z navojnim zatičem
  • Površinski element: čista odprtina x+y: -2 mm

Zadnje ogledani artikli

Na zalogi v centralnem skladišču.
Dobava 2-4 tedne.
65,01 € (z DDV)
53,29 € (brez DDV)
Dodaj med priljubljene